Brochure
Maragadarshi Colony – Proposed Residential Building, Hyderabad
Discover thoughtfully designed homes in a prime Hyderabad location. This upcoming residential project offers spacious 3BHK apartments with modern layouts, quality construction, and essential amenities, making it an ideal choice for comfortable urban living.
Enjoy premium lifestyle features with amenities worth ₹5 Lakhs, designed for comfort and community living.
Project Highlights
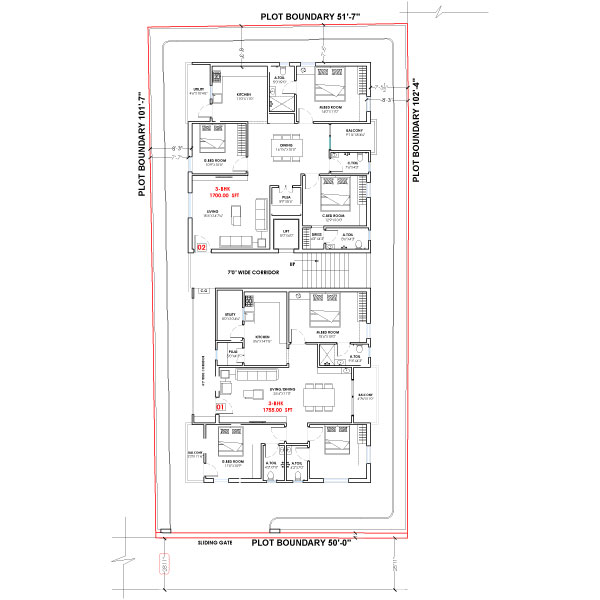
- Spacious 3BHK Apartments
- Sizes: 1,700 & 1,755 Sq.Ft.
- Price: ₹8,000 per Sq.Ft.
- Structure: Stilt + 4 Floors + 1 TDR Floor
Amenities & Features
Quality Construction
CCTV Camera Surveilance
100% Vaastu
EV Charging Provision
Power back-up Generator
No Common Walls
Excellent Ventilation
Rainwater Harvesting Pits
Excellence of Harika Constructions
300+
Projects
2+
Million Sft Developed
30+
Premium Apartments
300+
Custom Villas
40+
Independent House
Floor plans
Apartment plans
Floor Plan
Floor Plan
Efficient, family-centric floor plans featuring private units (no shared walls) and natural light-filled spaces.
Total area1,700 & 1,755 sq.ft.
No. of Floors4
No. of bed rooms03
Parking availableYes
Vaastu100% Vaastu
Price ₹8,000 / sq ft
Amenities ₹5 Lakh
Contact with us
Have questions? Feel free to write us
Get expert guidance, exclusive offers, and a personalized site tour. Fill the form now – let’s turn your vision into reality! Limited availability
Call expert
+91 72077 97932
Write email
Visit office
Kothapet, Hyderabad.
